Печь La Nordica Milly
808c540b0f7f
Доставка в Екатеринбург
Удобство оплаты
Почему звонить в Очаг уже сейчас?
- Единая цена по всей России
- Бесплатная доставка
- Понимаем любой бюджет
- Считаем ВСЕ варианты
- Инструкции и видео для Монтажа
- Доступно, Оперативно, Профессионально
- Более 2 000 монтажей за 17 лет
Примеры работ #Степан_Знает
Видео галерея
Описание
Характеристики
Общие
Производитель:
Страна-производитель:
Италия
Материал отделки:
Материал топки:
- Чугун
Тип печи:
Размеры
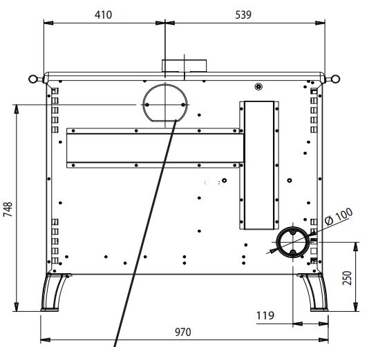
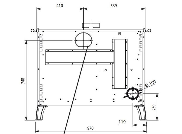
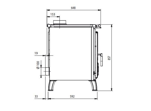
Диаметр дымохода:
150 мм
Общая ширина:
1050 мм
Общая глубина:
670 мм
Общая высота:
865 мм
Общий вес:
217 кг
Производительность
Мощность:
8,7 кВт
КПД:
89,1%
Площадь отопления:
90 м²
Объем отопления:
225 м³
Использование для отопления:












